新聞中心
產品中心
聯系我們
深圳市東么川伺服控制技術有限公司
電話:13316379101
郵箱:1355229533@qq.com
地址:深圳市龍華區民治街道樟坑社區青創城A棟B502
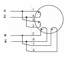
圖文介紹|步進電機及驅動器接線原理
發布時間:2020-10-22 08:03:32
- 上一篇:深圳東么川國慶節中秋節放假通知!
- 下一篇:步進電機選擇驅動器。掌握技巧選擇不再難
產品推薦:兩相步進電機
產品推薦:無刷電機
產品推薦:兩相步進驅動器
產品推薦:直流無刷驅動器































地址 ADDRESS